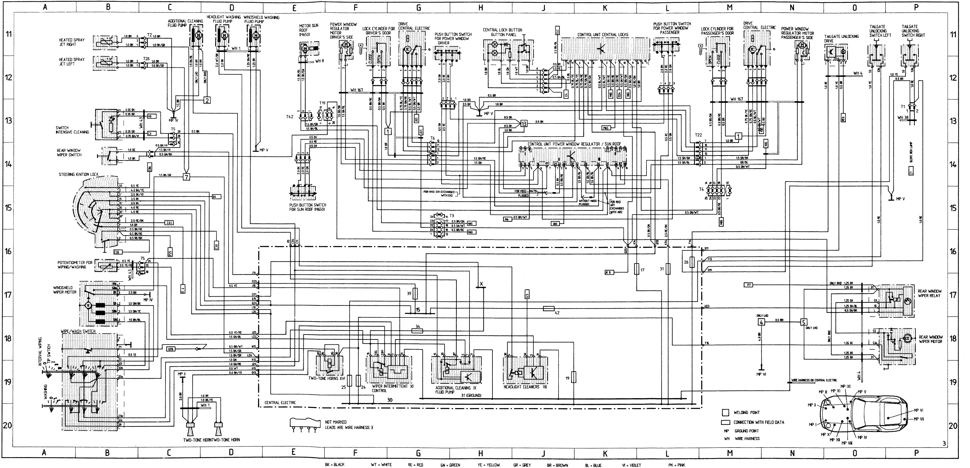
Porsche 928S4 1990 Sheet 3

Body

[diagram]