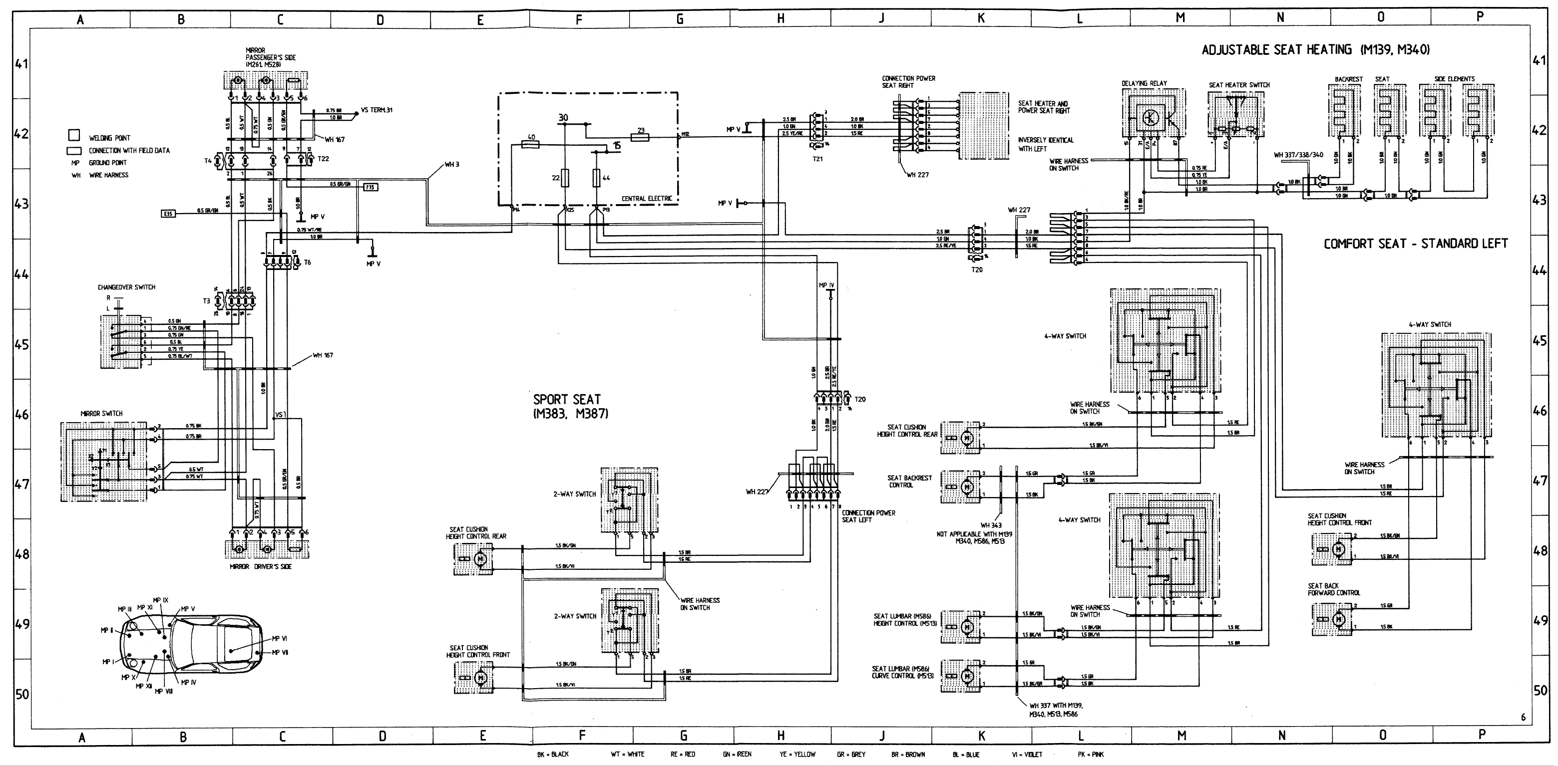
Porsche 928S4 1990 Sheet 6

Outside Mirror, Power Seat

[diagram]